NTK切削工具

トップ / 溝入れ 突切り / GXブレーカ

切屑を小さくカール&コントロールし、ホルダ・ワークに絡ませない

インサートすくい面のドットにより、溝加工だけでなく横挽加工でも良好な切屑処理を実現
特長
  • 対応溝幅: 0.33mm – 3.0mm .013 – .118 inch
  • 溝底の切屑(リング)残り、ワークへの巻き付き解消
  • 最大 2.0 mm .078″ DOC の横挽加工にも対応
適用アプリケーション
CNC自動旋盤
溝入れ / 横挽き加工
GXブレーカのメリット
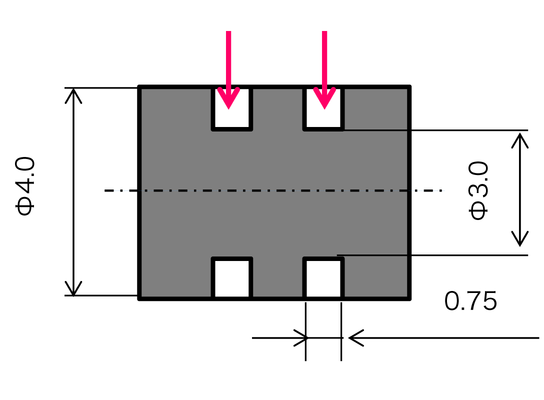
切屑処理比較 溝入れ加工(Eリング加工想定)
[ 切削条件 ]
被削材 : SUS304 (⌀6⇒⌀3)   vc=80m/min  ap=1.5mm  溝幅 : 0.75mm 304SS (⌀.236
加工面比較 GXブレーカ横挽き加工
[ 切削条件 ]
被削材 : SUS304 (⌀6⇒⌀3)   vc=80m/min  ap=1.5mm  溝幅 : 0.75mm 304SS (⌀.236
ラインナップ​ (インサート)
- テーブルをスクロールする
被削材分類 被削材 材質 切削速度vc
(m/min) (SFM)
溝幅
(mm) (inch)
溝加工送り
(mm/rev) (IPR)
横挽加工送り
(mm/rev) (IPR)
炭素鋼
合金鋼
溝入れ加工
DM4 10 – 160 30 – 520 0.75 – 3.0 .030 – .120 0.02 – 0.15 .0008 – .006 0.01 – 0.10 .0004 – .004
ステンレス
溝入れ加工
ST4 30 – 180 100 – 600 0.75 – 3.0 .030 – .120 0.02 – 0.15 .0008 – .006 0.01 – 0.10 .0004 – .004
難削材
溝入れ加工
DM4 10 – 160 30 – 520
チタン合金
耐熱合金
溝入れ加工
DM4 10 – 160 30 – 520 0.75 – 3.0 .030 – .120 0.02 – 0.15 .0008 – .006 0.01 – 0.10 .0004 – .004
高硬度材
溝入れ加工
DM4 10 – 160 30 – 520 0.75 – 3.0 .030 – .120 0.02 – 0.15 .0008 – .006 0.01 – 0.10 .0004 – .004
非鉄金属
アルミニウム
プラスチック
汎用
溝入れ加工
TM4 50 – 180 160 – 600 0.75 – 3.0 .030 – .120 0.02 – 0.15 .0008 – .006 0.01 – 0.10 .0004 – .004
ピン部品加工
被削材:
SK4
切削速度:
27-34 m/min 90 – 110 SFM
送り:
0.02 mm/rev .008 IPR
切込み :
0.5 mm .020 inch
切削油:
WET
DM4+GXブレーカ
150個/コーナ
他社研磨ブレーカ
(PVDコーテッド超硬)
100個/コーナ
現行品は、切屑絡みが多く加工が不安定であった。
GXブレーカにより切屑絡みが解消されチョコ停が無くなった。
また、切れ味が良い為、外径バリが抑制され、寿命延長と安定加工が可能となった。
自動車部品加工
被削材:
SUS430
切削速度:
80 m/min 270 SFM
送り:
0.03 mm/rev .001IPR
切込み :
1.0 mm .039 inch
切削油:
WET
DM4+GXブレーカ
3,500個/コーナ
他社研磨ブレーカ
(PVDコーテッド超硬)
2,500個/コーナ
GXブレーカにより溝底の切屑残りが無くなり、検査工程削除に成功した。
関連ニュース
NTKカッティングツールズは、突切り加工向けのCUT DUOシリーズに新たなホルダを追加しました。 今回の新モデルはインサート幅2.5mmで、最大突切り径Ø25.4mmに対応します。 ...
NTKカッティングツールズは、サブスピンドル用工具「DS-HOLDERシリーズ」に新モデル「DS-GTTL-OH」を追加したことを発表しました。 ...
NTKカッティングツールズは、新開発の4コーナー溝入れ工具「ECO 4 CUT(エコ・フォー・カット)」を発表します。 経済的な4コーナの採用により、生産コストの削減に貢献します。 ...
NTKカッティングツールズは、クイックチェンジツールのラインアップであるN-Swiss JOINT Modular Typeに、新たに□10および□16サイズを追加したことを発表しました。 ...
新商品発売を記念して、今だけお得な特典をご用意! 期間:2025.10/22 ~ 2026.3/31 ...
NTKカッティングツールズは、シチズンマシナリー株式会社および株式会社アルプスツールと共同開発した高精度クイックチェンジツールヘッド「N-Swiss CAP ポリゴンテーパータイプ」の発売を発表します。 新たに導入されたCIToolingSystem規格に準拠したこのソリューションは、コンパクトな設計と優れた剛性を両立し、工具交換の迅速化、安全性の向上、そして安定した加工を実現します。 ...

この製品の詳細については、オンライン電子カタログをご覧になるか、カタログ/製品レポートをダウンロードしてください。

会社情報
製品を探す
会社情報
製品を探す